Mình tên Phước, SĐT: 0969 847742 +Zalo, Sinh năm 1989, tại TP. Bà Rịa, BRVT.
Mình nhận vẽ thuê và thiết kế các bản vẽ cơ khí bằng phần mềm Solidworks, Autocad 2D 3D như nhà xưởng, văn phòng, nhà ở, ...
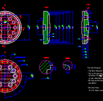
Vẽ bản vẽ máy móc thiết bị.
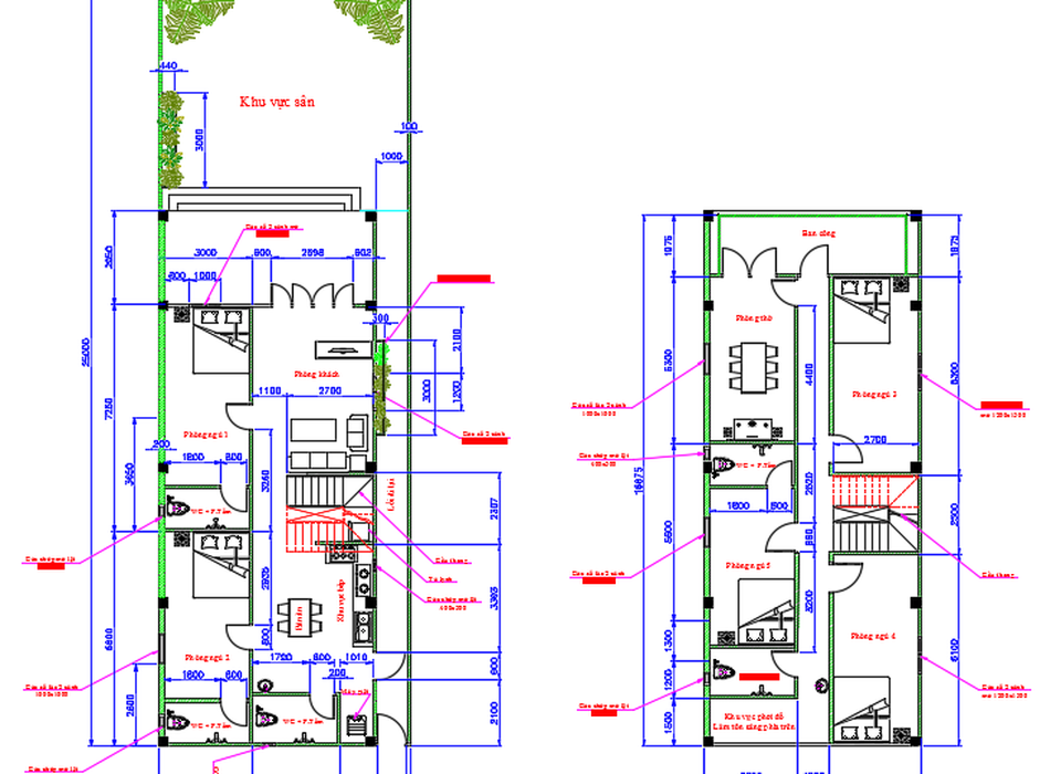
Vẽ bản vẽ xây dựng bê tông móng máy.
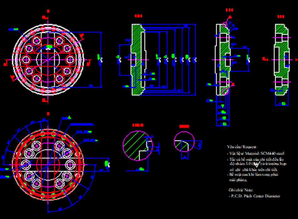
Vẽ cơ khí chính xác, vẽ các loại chi tiết máy như bánh răng, trục, khớp nối,...
Bóc tách khối lượng bản vẽ và báo giá vật tư, thiết bị.
Nhận chuyển tấc cả các file hình ảnh, file scan, file giấy thành file Autocad, đo vẽ chi tiết thực tế để vẽ thành bộ bản vẽ đặt hàng gia công, sao chép và cải tiến ý tưởng thiết kế, lưu file,...
Nhận vẽ Autocad 2D 3D, Solidworks thuê tại nhà với giá rẻ, đảm bảo tiến độ và yêu cầu như mong muốn.
Cam kết luôn bảo mật tài liệu của khách hàng.
Đã có kinh nghiệm hơn 10 năm về vẽ và thiết kế cơ khí.
Vui lòng phục vụ quí khách.












